工程材料的耐腐蚀性能的评价方法-表面观察法
1 宏观观察
就是对材料在腐蚀前后及去除腐蚀产物前后的形态做肉眼分析,还应该注意腐蚀产物的形态和分布,以及他们的厚度、颜色、致密度和附着性;同时还应该注意腐蚀介质中的变化,包括溶液的颜色,腐蚀产物在溶液中的形态、颜色、类型和数量等。虽然这种观察是很粗糙的,但任何精细的腐蚀研究都辅以这种方法。
2 显微观测
就是对受腐蚀的试样进行金相检查或断口分析,或者用扫描电镜、透射电镜、电子探针等做微观组织结构和相成分的分析,据此可研究微细的腐蚀特征和腐蚀动力学。一些工程材料中,常见腐蚀形态的显微形貌如图所示。
对受腐蚀的试样进行显微观察时,需要注意的几点是:
第一,在观察表面形貌时,特别是一些局部腐蚀的形貌时,一定要注意腐蚀截面形貌的观察。这是因为局部腐蚀可能在材料表面所造成的腐蚀并不很显著,而在材料的内部发展。不锈钢等材料的点蚀就是一例,如图3所示。

第二,在观察材料的氧化膜截面形貌时,要注意采用扫描电子显微镜的背散射模式进行观察。扫描电镜在腐蚀形貌观察时,通常有两种工作模式,一种是二次电子相模式,一种是背散射模式。二次电子相通过测试二次电子,来获得试样表面的形貌,而背散射模式则可以通过测试背散射电子,获得试样表面元素分布的情况。通过背散射模式观察腐蚀试样氧化膜界面的形貌,可以很容易地分辨出氧化膜内元素的分布,从而判断出氧化膜是单层结构还是多层结构,如图4所示。


图4
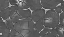
第三,当材料表面覆盖着较厚的腐蚀产物时,进行观察腐蚀形貌时一定要注意将取出腐蚀产物前后的形貌进行综合对比,才能获得准确的结论。两种材料在未去除腐蚀产物之前形貌相同,去除腐蚀产物后腐蚀形态可能会大相径庭。例如,316L不锈钢在80℃Na2SO4和NaCl混合溶液中腐蚀4小时后的腐蚀形貌同ZE41镁合金在NaCl溶液中腐蚀12小时的形貌基本相同,腐蚀产物都呈现龟裂状。但是,去除腐蚀产物后发现,二者的腐蚀形态截然不同:316L不锈钢80℃Na2SO4和NaCl混合溶液中发生的是均匀腐蚀,如图5,而ZE41发生的则是点蚀,如图6所示。

图5 316L不锈钢80℃Na2SO4和NaCl混合溶液浸泡,去除腐蚀产物前后的腐蚀形貌


图6 ZE41镁合金在NaCl溶液浸泡,去除腐蚀产物前后的腐蚀形貌

